李工:138-8949-5179 刘工:135-0428-8802
型号查询
轴承型号   常见搜索: 6018轴承 6021轴承 6003轴承 6008轴承 32313轴承 688a轴承
型号查询 X

轴承专区

Bearings Center

2 x 7305 BECBP *轴承-SKF 2 x 7305 BECBP *轴承尺寸、图纸、价格

SKF 2 x 7305 BECBP *轴承

产品名称:2 x 7305 BECBP *轴承 品牌:SKF
类型:SKF轴承 > 滚动轴承 > 角接触球轴承
描述:2 x 7305 BECBP *轴承是【SKF轴承 > 滚动轴承 > 角接触球轴承】的型号,主要用在内燃机、空气压缩机、发电机、大型农业机械、轧钢机辊道子、汽车转向销、挤压机、玩具、土方机械、数控设备等各大领域

 电话/微信:138-8949-5179

SKF 2 x 7305 BECBP *轴承详细信息

2 x 7305 BECBP *轴承是【SKF轴承 > 滚动轴承 > 角接触球轴承】的型号,主要用在内燃机、空气压缩机、发电机、大型农业机械、轧钢机辊道子、汽车转向销、挤压机、玩具、土方机械、数控设备等各大领域。

SKF 2 x 7305 BECBP *轴承详细参数

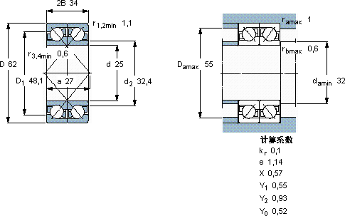
角接触球轴承, 单列,用于配对安装, 面对面配对
主要数据尺寸基本负荷额定值疲劳负荷限值额定速度体积型号轴承配对
动态静态参照速度限制速度
dD2BCC0Pu * - SKF Explorer 轴承
mmkNkNr/minkg--
25623442,530,51,2912000150000,462 × 7305 BECBP *DF

SKF 2 x 7305 BECBP *轴承尺寸图纸

李工:138-8949-5179

刘工:135-0428-8802

地址:辽宁省大连经济技术开发区现代城3栋-13-13号

在线客服系统