李工:138-8949-5179 刘工:135-0428-8802
型号查询
轴承型号   常见搜索: 6900轴承 6017轴承 6013轴承 6010轴承 6016轴承 6005轴承
型号查询 X

轴承专区

Bearings Center

87轴承-SKF 87轴承尺寸、图纸、价格

SKF 87轴承

产品名称:87轴承 品牌:SKF
类型:SKF轴承 > 轴承座 > SONL立式轴承座
描述:87轴承是【SKF轴承 > 轴承座 > SONL立式轴承座】的型号,主要用在家用电器、机床主轴、泵、汽车、木工机械、汽车转向销、塔吊、钟表、土方机械、塔式车库等各大领域

 电话/微信:138-8949-5179

SKF 87轴承详细信息

87轴承是【SKF轴承 > 轴承座 > SONL立式轴承座】的型号,主要用在家用电器、机床主轴、泵、汽车、木工机械、汽车转向销、塔吊、钟表、土方机械、塔式车库等各大领域。

SKF 87轴承详细参数

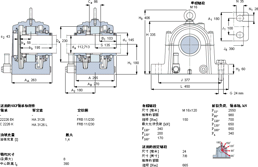
剖分立式轴承座, SONL, 用于紧定套安装轴承
适宜的轴承轴承座
(基本型号)主要数据尺寸体积型号
球面滚子 CARB轴承座封印工具端盖定位圈
da轴承轴承ALHH1(2 必需)
mmmmkg-
112,713-22226 KC 2226 K25545033518087SONL 226-526TSO 526/4.7/16ECO 226-526FRB 11/230

SKF 87轴承尺寸图纸

李工:138-8949-5179

刘工:135-0428-8802

地址:辽宁省大连经济技术开发区现代城3栋-13-13号

在线客服系统