轴承专区
Bearings Center
BBFB 304260轴承-SKF BBFB 304260轴承尺寸、图纸、价格
SKF BBFB 304260轴承
| 产品名称: | BBFB 304260轴承 | 品牌: | SKF |
|---|---|---|---|
| 类型: | SKF轴承 > 滚动轴承 > 深沟球轴承 | ||
| 描述: | BBFB 304260轴承是【SKF轴承 > 滚动轴承 > 深沟球轴承】的型号,主要用在变速器、差速器小齿轮轴、纺织机械传动轴、小齿轮轴、破碎机、机床等的变速装置、立式电动机、饮料设备、压路机、吹氧装置等各大领域 | ||
电话/微信:138-8949-5179
SKF BBFB 304260轴承详细信息
BBFB 304260轴承是【SKF轴承 > 滚动轴承 > 深沟球轴承】的型号,主要用在变速器、差速器小齿轮轴、纺织机械传动轴、小齿轮轴、破碎机、机床等的变速装置、立式电动机、饮料设备、压路机、吹氧装置等各大领域。
SKF BBFB 304260轴承详细参数
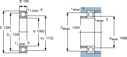
| 深沟球轴承, 单列,带装球缺口,不带保持架 | ||||||
| 主要数据尺寸 | 基本负荷额定值 | 体积 | 型号 | |||
| 静态 | ||||||
| d | D | B | C0 | |||
| mm | kN | kg | - | |||
| 1060 | 1280 | 100 | 3450 | 235 | BBFB 304260 | |
SKF BBFB 304260轴承尺寸图纸

