李工:138-8949-5179 刘工:135-0428-8802
型号查询
轴承型号   常见搜索: 6011轴承 688a轴承 6004轴承 6024轴承 6021轴承 *轴承
型号查询 X

轴承专区

Bearings Center

22340 CCK/W33 + H 2340 *轴承-SKF 22340 CCK/W33 + H 2340 *轴承尺寸、图纸、价格

SKF 22340 CCK/W33 + H 2340 *轴承

产品名称:22340 CCK/W33 + H 2340 *轴承 品牌:SKF
类型:SKF轴承 > 滚动轴承 > 球面滚子轴承
描述:22340 CCK/W33 + H 2340 *轴承是【SKF轴承 > 滚动轴承 > 球面滚子轴承】的型号,主要用在仪表、各类变速器、纺织机械传动轴、铁路车辆、印刷机械、机床主轴、碾煤机、音像设备、混凝土机械、坦克等各大领域

 电话/微信:138-8949-5179

SKF 22340 CCK/W33 + H 2340 *轴承详细信息

22340 CCK/W33 + H 2340 *轴承是【SKF轴承 > 滚动轴承 > 球面滚子轴承】的型号,主要用在仪表、各类变速器、纺织机械传动轴、铁路车辆、印刷机械、机床主轴、碾煤机、音像设备、混凝土机械、坦克等各大领域。

SKF 22340 CCK/W33 + H 2340 *轴承详细参数

球面滚子轴承, 带紧定套的
主要数据尺寸基本负荷额定值疲劳负荷限值额定速度体积型号
动态静态参照速度限制速度轴承 + 紧定套
d1DBCC0Pu
* - SKF Explorer 轴承
mmkNkNr/minkg-
180420138232029002241200150010722340 CCK/W33 + H 2340 *

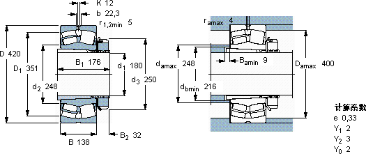
SKF 22340 CCK/W33 + H 2340 *轴承尺寸图纸

李工:138-8949-5179

刘工:135-0428-8802

地址:辽宁省大连经济技术开发区现代城3栋-13-13号

在线客服系统