轴承专区
Bearings Center
HMV 82E轴承-SKF HMV 82E轴承尺寸、图纸、价格
SKF HMV 82E轴承
| 产品名称: | HMV 82E轴承 | 品牌: | SKF |
|---|---|---|---|
| 类型: | SKF轴承 > 滚动轴承 > 轴承附件 | ||
| 描述: | HMV 82E轴承是【SKF轴承 > 滚动轴承 > 轴承附件】的型号,主要用在铁路车辆、燃料喷射泵、燃汽轮机、齿轮减速装置、木工机械、石油钻机、冶炼厂、塑料、给料机械、正面吊等各大领域 | ||
电话/微信:138-8949-5179
SKF HMV 82E轴承详细信息
HMV 82E轴承是【SKF轴承 > 滚动轴承 > 轴承附件】的型号,主要用在铁路车辆、燃料喷射泵、燃汽轮机、齿轮减速装置、木工机械、石油钻机、冶炼厂、塑料、给料机械、正面吊等各大领域。
SKF HMV 82E轴承详细参数
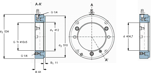
| Hydraulic nuts, metric sizes | ||||||||||||
| 螺纹尺寸 | 尺寸 | Permitted | Piston area | 体积 | 型号 | |||||||
| piston | ||||||||||||
| G | d1 | d2 | d3 | B | B1 | displacement | ||||||
| mm | mm (metric sizes) | mm | mm | mm2 (metric sizes) | kg | - | ||||||
| in - threads/in (inch sizes) | in2 (inch sizes) | |||||||||||
| 410 | Tr 410x5 | 412 | 510 | 534 | 61 | 11 | 17 | 38300 | 48,0 | HMV 82E | HMV 82E/A101 | |
SKF HMV 82E轴承尺寸图纸

