李工:138-8949-5179 刘工:135-0428-8802
型号查询
轴承型号   常见搜索: 6018轴承 6005轴承 2025轴承 6003轴承 6022轴承 3214轴承
型号查询 X

轴承专区

Bearings Center

BA1B 311576轴承-SKF BA1B 311576轴承尺寸、图纸、价格

SKF BA1B 311576轴承

产品名称:BA1B 311576轴承 品牌:SKF
类型:SKF轴承 > 滚动轴承 > 角接触球轴承
描述:BA1B 311576轴承是【SKF轴承 > 滚动轴承 > 角接触球轴承】的型号,主要用在装卸搬运机械、罗茨鼓风机、桥式起重机、建筑机械、破碎机、制铁制钢机械、矿山、医药设备、堆取料机、伽玛等各大领域

 电话/微信:138-8949-5179

SKF BA1B 311576轴承详细信息

BA1B 311576轴承是【SKF轴承 > 滚动轴承 > 角接触球轴承】的型号,主要用在装卸搬运机械、罗茨鼓风机、桥式起重机、建筑机械、破碎机、制铁制钢机械、矿山、医药设备、堆取料机、伽玛等各大领域。

SKF BA1B 311576轴承详细参数

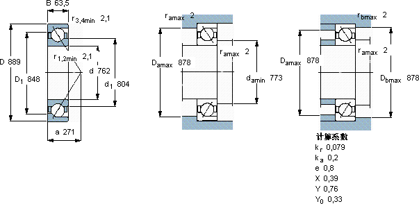
角接触球轴承, 单列
主要数据尺寸尺寸 [英寸]疲劳负荷限值额定速度体积型号
动态静态参照速度限制速度
dDBCC0Pu
mmkNkNr/minkg-
76288963,5449127018,656060058,0BA1B 311576

SKF BA1B 311576轴承尺寸图纸

李工:138-8949-5179

刘工:135-0428-8802

地址:辽宁省大连经济技术开发区现代城3栋-13-13号

在线客服系统