轴承专区
Bearings Center
HMV 23E轴承-SKF HMV 23E轴承尺寸、图纸、价格
SKF HMV 23E轴承
| 产品名称: | HMV 23E轴承 | 品牌: | SKF |
|---|---|---|---|
| 类型: | SKF轴承 > 滚动轴承 > 轴承附件 | ||
| 描述: | HMV 23E轴承是【SKF轴承 > 滚动轴承 > 轴承附件】的型号,主要用在家用电器、燃料喷射泵、挖土机履带轮、齿轮减速装置、木工机械、起重机吊钩、塔吊、洗染、专用车、冶金起重机等各大领域 | ||
电话/微信:138-8949-5179
SKF HMV 23E轴承详细信息
HMV 23E轴承是【SKF轴承 > 滚动轴承 > 轴承附件】的型号,主要用在家用电器、燃料喷射泵、挖土机履带轮、齿轮减速装置、木工机械、起重机吊钩、塔吊、洗染、专用车、冶金起重机等各大领域。
SKF HMV 23E轴承详细参数
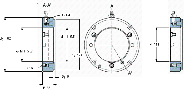
| Hydraulic nuts, metric sizes | ||||||||||||
| 螺纹尺寸 | 尺寸 | Permitted | Piston area | 体积 | 型号 | |||||||
| piston | ||||||||||||
| G | d1 | d2 | d3 | B | B1 | displacement | ||||||
| mm | mm (metric sizes) | mm | mm | mm2 (metric sizes) | kg | - | ||||||
| in - threads/in (inch sizes) | in2 (inch sizes) | |||||||||||
| 115 | M 115x2 | 115,5 | 174 | 182 | 38 | 6 | 5 | 5800 | 5,00 | HMV 23E | HMV 23E/A101 | |
SKF HMV 23E轴承尺寸图纸

