李工:138-8949-5179 刘工:135-0428-8802
型号查询
轴承型号   常见搜索: 6305轴承 2025轴承 6028轴承 6024轴承 2026轴承 688a轴承
型号查询 X

轴承专区

Bearings Center

6238 M轴承-SKF 6238 M轴承尺寸、图纸、价格

SKF 6238 M轴承

产品名称:6238 M轴承 品牌:SKF
类型:SKF轴承 > 滚动轴承 > 深沟球轴承
描述:6238 M轴承是【SKF轴承 > 滚动轴承 > 深沟球轴承】的型号,主要用在仪表、高频马达、燃汽轮机、前轮、各类产业用减速机、机床主轴、碾煤机、塑料、混凝土机械、厨具设备等各大领域

 电话/微信:138-8949-5179

SKF 6238 M轴承详细信息

6238 M轴承是【SKF轴承 > 滚动轴承 > 深沟球轴承】的型号,主要用在仪表、高频马达、燃汽轮机、前轮、各类产业用减速机、机床主轴、碾煤机、塑料、混凝土机械、厨具设备等各大领域。

SKF 6238 M轴承详细参数

深沟球轴承, 单列, 无密封件
主要数据尺寸基本负荷额定值疲劳负荷限值额定速度体积型号
动态静态参照速度限制速度
dDBCC0Pu
mmkNkNr/minkg-
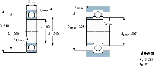
190340552552807,353800340023,06238 M

SKF 6238 M轴承尺寸图纸

李工:138-8949-5179

刘工:135-0428-8802

地址:辽宁省大连经济技术开发区现代城3栋-13-13号

在线客服系统