李工:138-8949-5179 刘工:135-0428-8802
型号查询
轴承型号   常见搜索: 6009轴承 *轴承 3214轴承 6015轴承 6030轴承 6309轴承
型号查询 X

轴承专区

Bearings Center

630/8-2RS1轴承-SKF 630/8-2RS1轴承尺寸、图纸、价格

SKF 630/8-2RS1轴承

产品名称:630/8-2RS1轴承 品牌:SKF
类型:SKF轴承 > 滚动轴承 > 深沟球轴承
描述:630/8-2RS1轴承是【SKF轴承 > 滚动轴承 > 深沟球轴承】的型号,主要用在通用电动机、罗茨鼓风机、桥式起重机、建筑机械、轧钢机齿轮箱座、石油钻机转环、轧钢机轧制螺杆用减速机、医药设备、凿岩机械、机场加油机等各大领域

 电话/微信:138-8949-5179

SKF 630/8-2RS1轴承详细信息

630/8-2RS1轴承是【SKF轴承 > 滚动轴承 > 深沟球轴承】的型号,主要用在通用电动机、罗茨鼓风机、桥式起重机、建筑机械、轧钢机齿轮箱座、石油钻机转环、轧钢机轧制螺杆用减速机、医药设备、凿岩机械、机场加油机等各大领域。

SKF 630/8-2RS1轴承详细参数

深沟球轴承, 单列, 两面密封件
主要数据尺寸基本负荷额定值疲劳负荷限值额定速度体积型号
动态静态参照速度限制速度
dDBCC0Pu
mmkNkNr/minkg-
822113,451,370,057-220000,016630/8-2RS1

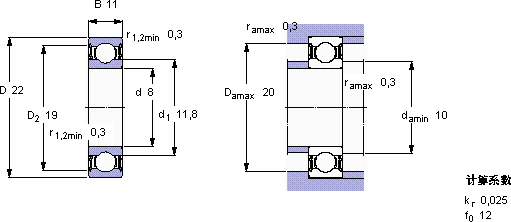
SKF 630/8-2RS1轴承尺寸图纸

李工:138-8949-5179

刘工:135-0428-8802

地址:辽宁省大连经济技术开发区现代城3栋-13-13号

在线客服系统