轴承专区
Bearings Center
AMS 20 ABP轴承-SKF AMS 20 ABP轴承尺寸、图纸、价格
SKF AMS 20 ABP轴承
| 产品名称: | AMS 20 ABP轴承 | 品牌: | SKF |
|---|---|---|---|
| 类型: | SKF轴承 > 滚动轴承 > 角接触球轴承 | ||
| 描述: | AMS 20 ABP轴承是【SKF轴承 > 滚动轴承 > 角接触球轴承】的型号,主要用在后轮、燃汽轮机、汽车发动机、后轮、木工机械、起重机吊钩、水力发电机、薄膜拉伸、强夯机、焊接机器人等各大领域 | ||
电话/微信:138-8949-5179
SKF AMS 20 ABP轴承详细信息
AMS 20 ABP轴承是【SKF轴承 > 滚动轴承 > 角接触球轴承】的型号,主要用在后轮、燃汽轮机、汽车发动机、后轮、木工机械、起重机吊钩、水力发电机、薄膜拉伸、强夯机、焊接机器人等各大领域。
SKF AMS 20 ABP轴承详细参数
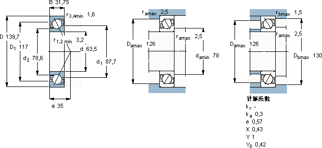
| 角接触球轴承, 单列, 英制轴承 | |||||||||||
| 主要数据尺寸 | 尺寸 [英寸] | 疲劳负荷限值 | 额定速度 | 体积 | 型号 | ||||||
| 动态 | 静态 | 参照速度 | 限制速度 | ||||||||
| d | D | B | C | C0 | Pu | ||||||
| mm | kN | kN | r/min | kg | - | ||||||
| 63,5 | 139,7 | 31,75 | 124 | 91,5 | 3,8 | 6300 | 6300 | 2,00 | AMS 20 ABP | 仅对售后市场 | |
SKF AMS 20 ABP轴承尺寸图纸

