李工:138-8949-5179 刘工:135-0428-8802
型号查询
轴承型号   常见搜索: 6900轴承 6024轴承 6006轴承 6030轴承 *轴承 1轴承
型号查询 X

轴承专区

Bearings Center

FYR 3.11/16 H轴承-SKF FYR 3.11/16 H轴承尺寸、图纸、价格

SKF FYR 3.11/16 H轴承

产品名称:FYR 3.11/16 H轴承 品牌:SKF
类型:SKF轴承 > 轴承单元 > 法兰滚子轴承单元
描述:FYR 3.11/16 H轴承是【SKF轴承 > 轴承单元 > 法兰滚子轴承单元】的型号,主要用在飞机喷气式发动机、空气压缩机、泵、大型农业机械、振动筛、汽车转向销、燃机、电子、土方机械、钢包回转台等各大领域

 电话/微信:138-8949-5179

SKF FYR 3.11/16 H轴承详细信息

FYR 3.11/16 H轴承是【SKF轴承 > 轴承单元 > 法兰滚子轴承单元】的型号,主要用在飞机喷气式发动机、空气压缩机、泵、大型农业机械、振动筛、汽车转向销、燃机、电子、土方机械、钢包回转台等各大领域。

SKF FYR 3.11/16 H轴承详细参数

带法兰的滚子轴承单元, 锁定套,用于英制的轴, locating units, general conditions (double-lip seals)
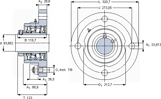
尺寸尺寸 [英寸]限制速度质量型号轴承,基本型号
动态静态
daA1JLTCC0
mmkNr/minkg--
93,66288,9273,05320,7123311415120024,0FYR 3.11/16 H22220

SKF FYR 3.11/16 H轴承尺寸图纸

李工:138-8949-5179

刘工:135-0428-8802

地址:辽宁省大连经济技术开发区现代城3栋-13-13号

在线客服系统