李工:138-8949-5179 刘工:135-0428-8802
型号查询
轴承型号   常见搜索: 6026轴承 6022轴承 6900轴承 6304轴承 6011轴承 6019轴承
型号查询 X

轴承专区

Bearings Center

7306 BEGAP *轴承-SKF 7306 BEGAP *轴承尺寸、图纸、价格

SKF 7306 BEGAP *轴承

产品名称:7306 BEGAP *轴承 品牌:SKF
类型:SKF轴承 > 滚动轴承 > 角接触球轴承
描述:7306 BEGAP *轴承是【SKF轴承 > 滚动轴承 > 角接触球轴承】的型号,主要用在农业机械、机床主轴、燃汽轮机、汽车、造纸机械、汽车转向销、钢铁厂、破碎、掘进机、太阳能发电设备等各大领域

 电话/微信:138-8949-5179

SKF 7306 BEGAP *轴承详细信息

7306 BEGAP *轴承是【SKF轴承 > 滚动轴承 > 角接触球轴承】的型号,主要用在农业机械、机床主轴、燃汽轮机、汽车、造纸机械、汽车转向销、钢铁厂、破碎、掘进机、太阳能发电设备等各大领域。

SKF 7306 BEGAP *轴承详细参数

角接触球轴承, 单列
主要数据尺寸尺寸 [英寸]疲劳负荷限值额定速度体积型号
动态静态参照速度限制速度
dDBCC0Pu * - SKF Explorer 轴承
mmkNkNr/minkg-
30721935,521,20,913000130000,337306 BEGAP *

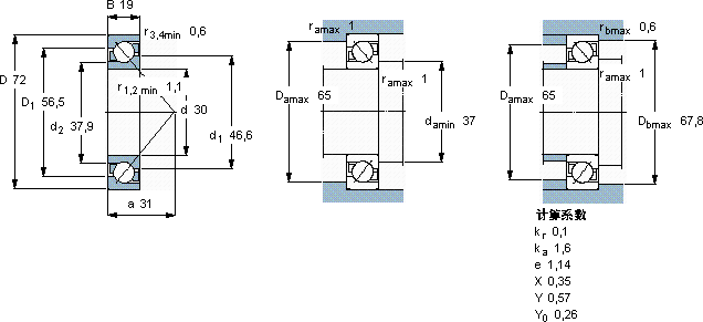
SKF 7306 BEGAP *轴承尺寸图纸

李工:138-8949-5179

刘工:135-0428-8802

地址:辽宁省大连经济技术开发区现代城3栋-13-13号

在线客服系统