李工:138-8949-5179 刘工:135-0428-8802
型号查询
轴承型号   常见搜索: 6909轴承 6006轴承 6305轴承 3214轴承 6032轴承 6007轴承
型号查询 X

轴承专区

Bearings Center

HMVC 170E轴承-SKF HMVC 170E轴承尺寸、图纸、价格

SKF HMVC 170E轴承

产品名称:HMVC 170E轴承 品牌:SKF
类型:SKF轴承 > 滚动轴承 > 轴承附件
描述:HMVC 170E轴承是【SKF轴承 > 滚动轴承 > 轴承附件】的型号,主要用在仪表、高频马达、燃汽轮机、前轮、印刷机械、机床主轴、碾煤机、电子、挖掘机、厨具设备等各大领域

 电话/微信:138-8949-5179

SKF HMVC 170E轴承详细信息

HMVC 170E轴承是【SKF轴承 > 滚动轴承 > 轴承附件】的型号,主要用在仪表、高频马达、燃汽轮机、前轮、印刷机械、机床主轴、碾煤机、电子、挖掘机、厨具设备等各大领域。

SKF HMVC 170E轴承详细参数

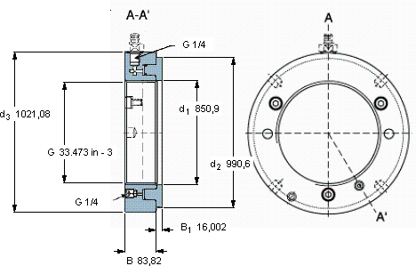
Hydraulic nuts, inch sizes
螺纹尺寸尺寸PermittedPiston area体积型号
piston
Gd1d2d3BB1displacement
mmmm (metric sizes)mmmmmm2 (metric sizes)kg-
in - threads/in (inch sizes)in2 (inch sizes)
845,46433.473 in - 3850,9990,61021,0883,8216,00225,908177,6399HMVC 170E-

SKF HMVC 170E轴承尺寸图纸

李工:138-8949-5179

刘工:135-0428-8802

地址:辽宁省大连经济技术开发区现代城3栋-13-13号

在线客服系统