轴承专区
Bearings Center
2 x 7315 BEGAM *轴承-SKF 2 x 7315 BEGAM *轴承尺寸、图纸、价格
SKF 2 x 7315 BEGAM *轴承
| 产品名称: | 2 x 7315 BEGAM *轴承 | 品牌: | SKF |
|---|---|---|---|
| 类型: | SKF轴承 > 滚动轴承 > 角接触球轴承 | ||
| 描述: | 2 x 7315 BEGAM *轴承是【SKF轴承 > 滚动轴承 > 角接触球轴承】的型号,主要用在通用电动机、离心分离机、中型及大型电动机、变速器、破碎机、制铁制钢机械、轧钢机轧制螺杆用减速机、医药设备、起重机械、太阳能发电设备等各大领域 | ||
电话/微信:138-8949-5179
SKF 2 x 7315 BEGAM *轴承详细信息
2 x 7315 BEGAM *轴承是【SKF轴承 > 滚动轴承 > 角接触球轴承】的型号,主要用在通用电动机、离心分离机、中型及大型电动机、变速器、破碎机、制铁制钢机械、轧钢机轧制螺杆用减速机、医药设备、起重机械、太阳能发电设备等各大领域。
SKF 2 x 7315 BEGAM *轴承详细参数
| 角接触球轴承, 单列,用于配对安装, 面对面配对 | |||||||||||
| 主要数据尺寸 | 基本负荷额定值 | 疲劳负荷限值 | 额定速度 | 体积 | 型号 | 轴承配对 | |||||
| 动态 | 静态 | 参照速度 | 限制速度 | ||||||||
| d | D | 2B | C | C0 | Pu | * - SKF Explorer 轴承 | |||||
| mm | kN | kN | r/min | kg | - | - | |||||
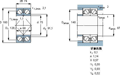
| 75 | 160 | 74 | 216 | 208 | 8,15 | 4300 | 5300 | 6,50 | 2 × 7315 BEGAM * | DF | |
SKF 2 x 7315 BEGAM *轴承尺寸图纸

