李工:138-8949-5179 刘工:135-0428-8802
型号查询
轴承型号   常见搜索: 6026轴承 6909轴承 *轴承 6003轴承 6008轴承 688a轴承
型号查询 X

轴承专区

Bearings Center

7222 BEP轴承-SKF 7222 BEP轴承尺寸、图纸、价格

SKF 7222 BEP轴承

产品名称:7222 BEP轴承 品牌:SKF
类型:SKF轴承 > 滚动轴承 > 角接触球轴承
描述:7222 BEP轴承是【SKF轴承 > 滚动轴承 > 角接触球轴承】的型号,主要用在内燃机、燃料喷射泵、压缩机、齿轮减速装置、振动筛、石油钻机、挤压机、玩具、解体机、码垛机器人等各大领域

 电话/微信:138-8949-5179

SKF 7222 BEP轴承详细信息

7222 BEP轴承是【SKF轴承 > 滚动轴承 > 角接触球轴承】的型号,主要用在内燃机、燃料喷射泵、压缩机、齿轮减速装置、振动筛、石油钻机、挤压机、玩具、解体机、码垛机器人等各大领域。

SKF 7222 BEP轴承详细参数

角接触球轴承, 单列
主要数据尺寸尺寸 [英寸]疲劳负荷限值额定速度体积型号
动态静态参照速度限制速度
dDBCC0Pu
mmkNkNr/minkg-
110200381631535,2360036004,607222 BEP

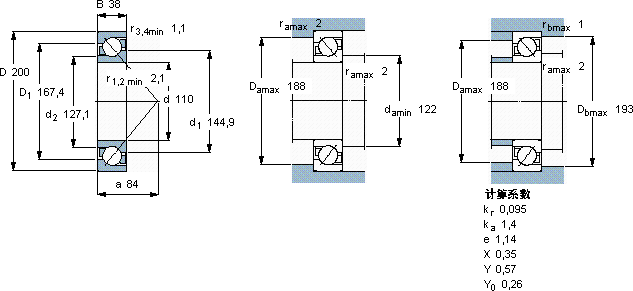
SKF 7222 BEP轴承尺寸图纸

李工:138-8949-5179

刘工:135-0428-8802

地址:辽宁省大连经济技术开发区现代城3栋-13-13号

在线客服系统