李工:138-8949-5179 刘工:135-0428-8802
型号查询
轴承型号   常见搜索: 6005轴承 6003轴承 6018轴承 6909轴承 6008轴承 2026轴承
型号查询 X

轴承专区

Bearings Center

QJ 1252 MA轴承-SKF QJ 1252 MA轴承尺寸、图纸、价格

SKF QJ 1252 MA轴承

产品名称:QJ 1252 MA轴承 品牌:SKF
类型:SKF轴承 > 滚动轴承 > 角接触球轴承
描述:QJ 1252 MA轴承是【SKF轴承 > 滚动轴承 > 角接触球轴承】的型号,主要用在后轮、燃料喷射泵、压缩机、齿轮减速装置、铁路车辆车轴、起重机吊钩、水力发电机、薄膜拉伸、强夯机、泥炮等各大领域

 电话/微信:138-8949-5179

SKF QJ 1252 MA轴承详细信息

QJ 1252 MA轴承是【SKF轴承 > 滚动轴承 > 角接触球轴承】的型号,主要用在后轮、燃料喷射泵、压缩机、齿轮减速装置、铁路车辆车轴、起重机吊钩、水力发电机、薄膜拉伸、强夯机、泥炮等各大领域。

SKF QJ 1252 MA轴承详细参数

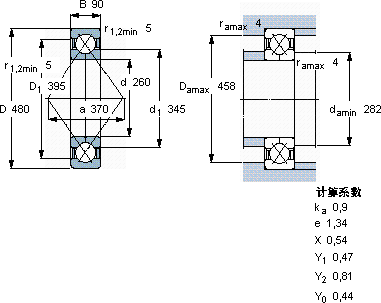
角接触球轴承, 四点接触球轴承
主要数据尺寸基本负荷额定值疲劳负荷限值额定速度体积型号
动态静态参照速度限制速度
dDBCC0Pu
mmkNkNr/minkg-
260480907411460321300220078,0QJ 1252 MA

SKF QJ 1252 MA轴承尺寸图纸

李工:138-8949-5179

刘工:135-0428-8802

地址:辽宁省大连经济技术开发区现代城3栋-13-13号

在线客服系统