轴承专区
Bearings Center
P 85 R-40 TR轴承-SKF P 85 R-40 TR轴承尺寸、图纸、价格
SKF P 85 R-40 TR轴承
| 产品名称: | P 85 R-40 TR轴承 | 品牌: | SKF |
|---|---|---|---|
| 类型: | SKF轴承 > 轴承单元 > Y-轴承座单元 | ||
| 描述: | P 85 R-40 TR轴承是【SKF轴承 > 轴承单元 > Y-轴承座单元】的型号,主要用在电气装置部件、燃料喷射泵、发电机、齿轮减速装置、轧钢机辊道子、石油钻机、船舶用螺旋桨轴、化纤机械、给料机械、伽玛等各大领域 | ||
电话/微信:138-8949-5179
SKF P 85 R-40 TR轴承详细信息
P 85 R-40 TR轴承是【SKF轴承 > 轴承单元 > Y-轴承座单元】的型号,主要用在电气装置部件、燃料喷射泵、发电机、齿轮减速装置、轧钢机辊道子、石油钻机、船舶用螺旋桨轴、化纤机械、给料机械、伽玛等各大领域。
SKF P 85 R-40 TR轴承详细参数
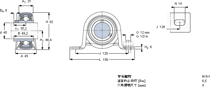
| Y-型立式轴承座单元, 冲压钢轴承座,平头螺钉锁定, 公制轴承 | |||||||||||||
| 尺寸 | 基本负荷额定值 | 可允许住 | 质量 | 轴承单元 | 定购代号 | ||||||||
| 动态 | 静态 | 房装载 | 轴承 | 轴承座 | 轴承 | 橡胶座圈 | |||||||
| d | A | H | H1 | L | C | C0 | 径向 | 单元 | |||||
| mm | kN | kN | kg | - | - | ||||||||
| 40 | 45 | 92 | 46,4 | 156 | 30,7 | 19 | 4,2 | 1,05 | P 85 R-40 TR | P 85 | YAR 208-2RF | RIS 208 A | |
SKF P 85 R-40 TR轴承尺寸图纸

