轴承专区
Bearings Center
7220 BECBM轴承-SKF 7220 BECBM轴承尺寸、图纸、价格
SKF 7220 BECBM轴承
| 产品名称: | 7220 BECBM轴承 | 品牌: | SKF |
|---|---|---|---|
| 类型: | SKF轴承 > 滚动轴承 > 角接触球轴承 | ||
| 描述: | 7220 BECBM轴承是【SKF轴承 > 滚动轴承 > 角接触球轴承】的型号,主要用在后轮、机床主轴、燃汽轮机、汽车、铁路车辆车轴、汽车转向销、水力发电机、玩具、土方机械、港口起重机等各大领域 | ||
电话/微信:138-8949-5179
SKF 7220 BECBM轴承详细信息
7220 BECBM轴承是【SKF轴承 > 滚动轴承 > 角接触球轴承】的型号,主要用在后轮、机床主轴、燃汽轮机、汽车、铁路车辆车轴、汽车转向销、水力发电机、玩具、土方机械、港口起重机等各大领域。
SKF 7220 BECBM轴承详细参数
| 角接触球轴承, 单列 | |||||||||||
| 主要数据尺寸 | 尺寸 [英寸] | 疲劳负荷限值 | 额定速度 | 体积 | 型号 | ||||||
| 动态 | 静态 | 参照速度 | 限制速度 | ||||||||
| d | D | B | C | C0 | Pu | ||||||
| mm | kN | kN | r/min | kg | - | ||||||
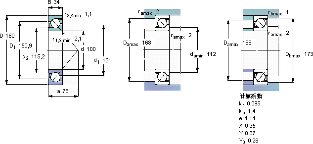
| 100 | 180 | 34 | 135 | 122 | 4,4 | 4000 | 4300 | 3,61 | 7220 BECBM | ||
SKF 7220 BECBM轴承尺寸图纸

