李工:138-8949-5179 刘工:135-0428-8802
型号查询
轴承型号   常见搜索: 6003轴承 2026轴承 6021轴承 3214轴承 6304轴承 *轴承
型号查询 X

轴承专区

Bearings Center

YEL 206-102-2F轴承-SKF YEL 206-102-2F轴承尺寸、图纸、价格

SKF YEL 206-102-2F轴承

产品名称:YEL 206-102-2F轴承 品牌:SKF
类型:SKF轴承 > 滚动轴承 > Y-轴承
描述:YEL 206-102-2F轴承是【SKF轴承 > 滚动轴承 > Y-轴承】的型号,主要用在仪表、罗茨鼓风机、变速器、建筑机械、轧钢机齿轮箱座、石油钻机转环、碾煤机、饮料设备、凿岩机械、厨具设备等各大领域

 电话/微信:138-8949-5179

SKF YEL 206-102-2F轴承详细信息

YEL 206-102-2F轴承是【SKF轴承 > 滚动轴承 > Y-轴承】的型号,主要用在仪表、罗茨鼓风机、变速器、建筑机械、轧钢机齿轮箱座、石油钻机转环、碾煤机、饮料设备、凿岩机械、厨具设备等各大领域。

SKF YEL 206-102-2F轴承详细参数

Y-轴承, 带偏心锁定环的, YEL 2-2F
主要数据尺寸基本负荷额定值疲劳负荷限值限制速度体积型号
动态静态
dDB1 (B)CCC0Pu用于轴公差h6
mmkNkNr/minkg-
28,5756248,41819,511,20,47563000,37YEL 206-102-2F

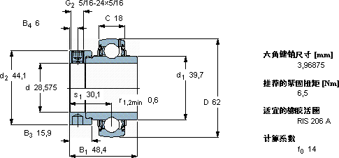
SKF YEL 206-102-2F轴承尺寸图纸

李工:138-8949-5179

刘工:135-0428-8802

地址:辽宁省大连经济技术开发区现代城3栋-13-13号

在线客服系统