轴承专区
Bearings Center
WEEX 002轴承-SKF WEEX 002轴承尺寸、图纸、价格
SKF WEEX 002轴承
| 产品名称: | WEEX 002轴承 | 品牌: | SKF |
|---|---|---|---|
| 类型: | SKF轴承 > 滚动轴承 > 深沟球轴承 | ||
| 描述: | WEEX 002轴承是【SKF轴承 > 滚动轴承 > 深沟球轴承】的型号,主要用在燃汽轮机、罗茨鼓风机、纺织机械传动轴、建筑机械、减速装置、石油钻机转环、电机厂、钟表、轻工机械、码垛机器人等各大领域 | ||
电话/微信:138-8949-5179
SKF WEEX 002轴承详细信息
WEEX 002轴承是【SKF轴承 > 滚动轴承 > 深沟球轴承】的型号,主要用在燃汽轮机、罗茨鼓风机、纺织机械传动轴、建筑机械、减速装置、石油钻机转环、电机厂、钟表、轻工机械、码垛机器人等各大领域。
SKF WEEX 002轴承详细参数
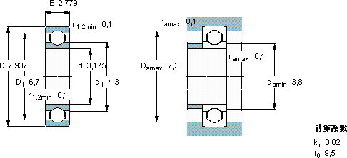
| 深沟球轴承, 单列,不锈钢, 无密封件 | ||||||||||
| 主要数据尺寸 | 基本负荷额定值 | 疲劳负荷限值 | 额定速度 | 体积 | 型号 | |||||
| 动态 | 静态 | 参照速度 | 限制速度 | |||||||
| d | D | B | C | C0 | Pu | |||||
| mm | kN | kN | r/min | kg | - | |||||
| 3,175 | 7,937 | 2,779 | 0,39 | 0,129 | 0,0056 | 150000 | 95000 | 0,0007 | WEEX 002 | |
SKF WEEX 002轴承尺寸图纸

