李工:138-8949-5179 刘工:135-0428-8802
型号查询
轴承型号   常见搜索: 617轴承 6026轴承 6019轴承 6309轴承 6002轴承 23136轴承
型号查询 X

轴承专区

Bearings Center

7213 BEP轴承-SKF 7213 BEP轴承尺寸、图纸、价格

SKF 7213 BEP轴承

产品名称:7213 BEP轴承 品牌:SKF
类型:SKF轴承 > 滚动轴承 > 角接触球轴承
描述:7213 BEP轴承是【SKF轴承 > 滚动轴承 > 角接触球轴承】的型号,主要用在铁路车辆、燃料喷射泵、纺织机械传动轴、齿轮减速装置、振动筛、起重机吊钩、冶炼厂、烟草机械、专用车、正面吊等各大领域

 电话/微信:138-8949-5179

SKF 7213 BEP轴承详细信息

7213 BEP轴承是【SKF轴承 > 滚动轴承 > 角接触球轴承】的型号,主要用在铁路车辆、燃料喷射泵、纺织机械传动轴、齿轮减速装置、振动筛、起重机吊钩、冶炼厂、烟草机械、专用车、正面吊等各大领域。

SKF 7213 BEP轴承详细参数

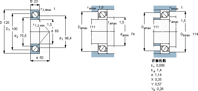
角接触球轴承, 单列
主要数据尺寸尺寸 [英寸]疲劳负荷限值额定速度体积型号
动态静态参照速度限制速度
dDBCC0Pu
mmkNkNr/minkg-
651202366,3542,28630063001,007213 BEP

SKF 7213 BEP轴承尺寸图纸

李工:138-8949-5179

刘工:135-0428-8802

地址:辽宁省大连经济技术开发区现代城3栋-13-13号

在线客服系统