李工:138-8949-5179 刘工:135-0428-8802
型号查询
轴承型号   常见搜索: 6304轴承 32313轴承 3214轴承 6012轴承 71913轴承 6004轴承
型号查询 X

轴承专区

Bearings Center

2207 EKTN9 + H 307轴承-SKF 2207 EKTN9 + H 307轴承尺寸、图纸、价格

SKF 2207 EKTN9 + H 307轴承

产品名称:2207 EKTN9 + H 307轴承 品牌:SKF
类型:SKF轴承 > 滚动轴承 > 自调心球轴承
描述:2207 EKTN9 + H 307轴承是【SKF轴承 > 滚动轴承 > 自调心球轴承】的型号,主要用在仪表、差速器小齿轮轴、提升机、小齿轮轴、轧钢机齿轮箱座、机床等的变速装置、碾煤机、化纤机械、压路机、钢包回转台等各大领域

 电话/微信:138-8949-5179

SKF 2207 EKTN9 + H 307轴承详细信息

2207 EKTN9 + H 307轴承是【SKF轴承 > 滚动轴承 > 自调心球轴承】的型号,主要用在仪表、差速器小齿轮轴、提升机、小齿轮轴、轧钢机齿轮箱座、机床等的变速装置、碾煤机、化纤机械、压路机、钢包回转台等各大领域。

SKF 2207 EKTN9 + H 307轴承详细参数

自调心球轴承, 带紧定套, 无密封件
主要数据尺寸基本负荷额定值疲劳负荷限值额定速度体积型号
动态静态参照速度限制速度轴承 + 紧定套
d1DBCC0Pu
mmkNkNr/minkg-
30722330,78,80,4618000120000,542207 EKTN9 + H 307

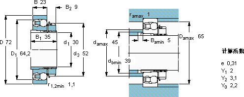
SKF 2207 EKTN9 + H 307轴承尺寸图纸

李工:138-8949-5179

刘工:135-0428-8802

地址:辽宁省大连经济技术开发区现代城3栋-13-13号

在线客服系统