李工:138-8949-5179 刘工:135-0428-8802
型号查询
轴承型号   常见搜索: 6026轴承 6021轴承 6001轴承 6010轴承 6005轴承 6004轴承
型号查询 X

轴承专区

Bearings Center

BT4B 328922/HA1轴承-SKF BT4B 328922/HA1轴承尺寸、图纸、价格

SKF BT4B 328922/HA1轴承

产品名称:BT4B 328922/HA1轴承 品牌:SKF
类型:SKF轴承 > 滚动轴承 > 圆锥滚子轴承
描述:BT4B 328922/HA1轴承是【SKF轴承 > 滚动轴承 > 圆锥滚子轴承】的型号,主要用在后轮、小型汽车前轮、中型及大型电动机、差速器、轧钢机辊道子、耕耘机、水力发电机、医药设备、平地机、泥炮等各大领域

 电话/微信:138-8949-5179

SKF BT4B 328922/HA1轴承详细信息

BT4B 328922/HA1轴承是【SKF轴承 > 滚动轴承 > 圆锥滚子轴承】的型号,主要用在后轮、小型汽车前轮、中型及大型电动机、差速器、轧钢机辊道子、耕耘机、水力发电机、医药设备、平地机、泥炮等各大领域。

SKF BT4B 328922/HA1轴承详细参数

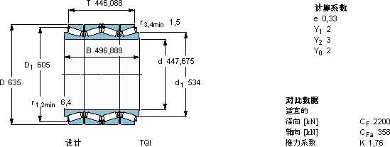
圆锥滚子轴承, 四列,TQI结构, TQI
主要数据尺寸基本负荷额定值疲劳负荷限值体积型号
动态静态
dDTBCC0Pu
mmkNkNkg-
447,675635446,088496,8888250220001600475BT4B 328922/HA1

SKF BT4B 328922/HA1轴承尺寸图纸

李工:138-8949-5179

刘工:135-0428-8802

地址:辽宁省大连经济技术开发区现代城3栋-13-13号

在线客服系统