李工:138-8949-5179 刘工:135-0428-8802
型号查询
轴承型号   常见搜索: 6909轴承 7014轴承 6013轴承 6010轴承 6011轴承 22222轴承
型号查询 X

轴承专区

Bearings Center

YET 203/W64轴承-SKF YET 203/W64轴承尺寸、图纸、价格

SKF YET 203/W64轴承

产品名称:YET 203/W64轴承 品牌:SKF
类型:SKF轴承 > 滚动轴承 > Y-轴承
描述:YET 203/W64轴承是【SKF轴承 > 滚动轴承 > Y-轴承】的型号,主要用在飞机喷气式发动机、机床主轴、压缩机、汽车、轧钢机辊道子、汽车转向销、燃机、玩具、掘进机、坦克等各大领域

 电话/微信:138-8949-5179

SKF YET 203/W64轴承详细信息

YET 203/W64轴承是【SKF轴承 > 滚动轴承 > Y-轴承】的型号,主要用在飞机喷气式发动机、机床主轴、压缩机、汽车、轧钢机辊道子、汽车转向销、燃机、玩具、掘进机、坦克等各大领域。

SKF YET 203/W64轴承详细参数

Y-轴承, 含Solid Oil
主要数据尺寸基本负荷额定值疲劳负荷限值限制速度体积型号
动态静态
dDB (B1)CCC0Pu
mmkNkNr/minkg-
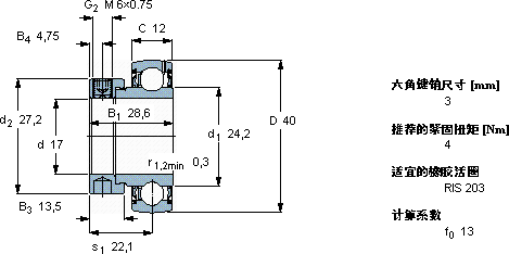
174028,6129,564,750,211000,11YET 203/W64

SKF YET 203/W64轴承尺寸图纸

李工:138-8949-5179

刘工:135-0428-8802

地址:辽宁省大连经济技术开发区现代城3栋-13-13号

在线客服系统