李工:138-8949-5179 刘工:135-0428-8802
型号查询
轴承型号   常见搜索: 6309轴承 617轴承 6900轴承 6024轴承 2025轴承 22222轴承
型号查询 X

轴承专区

Bearings Center

71972 ACMB轴承-SKF 71972 ACMB轴承尺寸、图纸、价格

SKF 71972 ACMB轴承

产品名称:71972 ACMB轴承 品牌:SKF
类型:SKF轴承 > 滚动轴承 > 角接触球轴承
描述:71972 ACMB轴承是【SKF轴承 > 滚动轴承 > 角接触球轴承】的型号,主要用在农业机械、燃料喷射泵、变速器、齿轮减速装置、振动筛、起重机吊钩、钢铁厂、饮料设备、专用车、机场加油机等各大领域

 电话/微信:138-8949-5179

SKF 71972 ACMB轴承详细信息

71972 ACMB轴承是【SKF轴承 > 滚动轴承 > 角接触球轴承】的型号,主要用在农业机械、燃料喷射泵、变速器、齿轮减速装置、振动筛、起重机吊钩、钢铁厂、饮料设备、专用车、机场加油机等各大领域。

SKF 71972 ACMB轴承详细参数

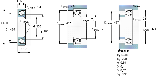
角接触球轴承, 单列
主要数据尺寸尺寸 [英寸]疲劳负荷限值额定速度体积型号
动态静态参照速度限制速度
dDBCC0Pu
mmkNkNr/minkg-
3604805635163013,21400150028,571972 ACMB

SKF 71972 ACMB轴承尺寸图纸

李工:138-8949-5179

刘工:135-0428-8802

地址:辽宁省大连经济技术开发区现代城3栋-13-13号

在线客服系统