轴承专区
Bearings Center
60/560 N1MAS轴承-SKF 60/560 N1MAS轴承尺寸、图纸、价格
SKF 60/560 N1MAS轴承
| 产品名称: | 60/560 N1MAS轴承 | 品牌: | SKF |
|---|---|---|---|
| 类型: | SKF轴承 > 滚动轴承 > 深沟球轴承 | ||
| 描述: | 60/560 N1MAS轴承是【SKF轴承 > 滚动轴承 > 深沟球轴承】的型号,主要用在铁路车辆、油泵、纺织机械传动轴、机床主轴、造纸机械、起重机吊钩、冶炼厂、精细化工机械、专用车、机械手等各大领域 | ||
电话/微信:138-8949-5179
SKF 60/560 N1MAS轴承详细信息
60/560 N1MAS轴承是【SKF轴承 > 滚动轴承 > 深沟球轴承】的型号,主要用在铁路车辆、油泵、纺织机械传动轴、机床主轴、造纸机械、起重机吊钩、冶炼厂、精细化工机械、专用车、机械手等各大领域。
SKF 60/560 N1MAS轴承详细参数
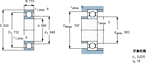
| 深沟球轴承, 单列, 于外圈的一个带定位槽 | |||||||||||
| 主要数据尺寸 | 基本负荷额定值 | 疲劳负荷限值 | 额定速度 | 体积 | 型号 | ||||||
| 动态 | 静态 | 参照速度 | 限制速度 | ||||||||
| d | D | B | C | C0 | Pu | ||||||
| mm | kN | kN | r/min | kg | - | ||||||
| 560 | 820 | 115 | 663 | 1470 | 22 | 1400 | 1200 | 210 | 60/560 N1MAS | ||
SKF 60/560 N1MAS轴承尺寸图纸

