轴承专区
Bearings Center
718/600 AMB轴承-SKF 718/600 AMB轴承尺寸、图纸、价格
SKF 718/600 AMB轴承
| 产品名称: | 718/600 AMB轴承 | 品牌: | SKF |
|---|---|---|---|
| 类型: | SKF轴承 > 滚动轴承 > 角接触球轴承 | ||
| 描述: | 718/600 AMB轴承是【SKF轴承 > 滚动轴承 > 角接触球轴承】的型号,主要用在铁路车辆、小型汽车前轮、挖土机履带轮、差速器、造纸机械、耕耘机、冶炼厂、陶瓷机械、平地机、正面吊等各大领域 | ||
电话/微信:138-8949-5179
SKF 718/600 AMB轴承详细信息
718/600 AMB轴承是【SKF轴承 > 滚动轴承 > 角接触球轴承】的型号,主要用在铁路车辆、小型汽车前轮、挖土机履带轮、差速器、造纸机械、耕耘机、冶炼厂、陶瓷机械、平地机、正面吊等各大领域。
SKF 718/600 AMB轴承详细参数
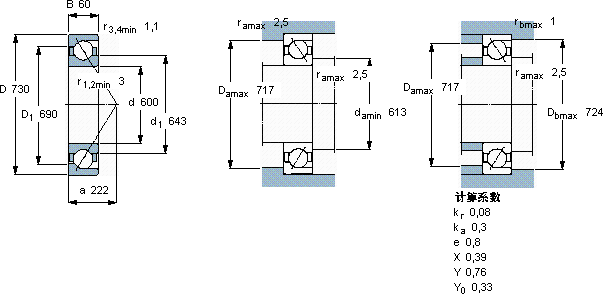
| 角接触球轴承, 单列 | |||||||||||
| 主要数据尺寸 | 尺寸 [英寸] | 疲劳负荷限值 | 额定速度 | 体积 | 型号 | ||||||
| 动态 | 静态 | 参照速度 | 限制速度 | ||||||||
| d | D | B | C | C0 | Pu | ||||||
| mm | kN | kN | r/min | kg | - | ||||||
| 600 | 730 | 60 | 449 | 1100 | 18,3 | 800 | 850 | 47,0 | 718/600 AMB | ||
SKF 718/600 AMB轴承尺寸图纸

