李工:138-8949-5179 刘工:135-0428-8802
型号查询
轴承型号   常见搜索: 6021轴承 6020轴承 6026轴承 6006轴承 6019轴承 6010轴承
型号查询 X

轴承专区

Bearings Center

3218 A/W64 *轴承-SKF 3218 A/W64 *轴承尺寸、图纸、价格

SKF 3218 A/W64 *轴承

产品名称:3218 A/W64 *轴承 品牌:SKF
类型:SKF轴承 > 滚动轴承 > 角接触球轴承
描述:3218 A/W64 *轴承是【SKF轴承 > 滚动轴承 > 角接触球轴承】的型号,主要用在家用电器、油泵、减速装置、机床主轴、轧钢机辊道子、起重机吊钩、塔吊、塑料、强夯机、塔式车库等各大领域

 电话/微信:138-8949-5179

SKF 3218 A/W64 *轴承详细信息

3218 A/W64 *轴承是【SKF轴承 > 滚动轴承 > 角接触球轴承】的型号,主要用在家用电器、油泵、减速装置、机床主轴、轧钢机辊道子、起重机吊钩、塔吊、塑料、强夯机、塔式车库等各大领域。

SKF 3218 A/W64 *轴承详细参数

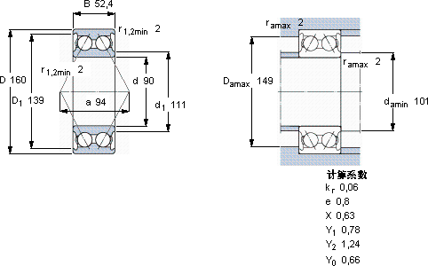
角接触球轴承, 双列, 含Solid Oil
主要数据尺寸基本负荷额定值疲劳负荷限值限制速度体积型号
动态静态
dDBCC0Pu * - SKF Explorer 轴承
mmkNkNr/minkg-
9016052,41301204,5512004,153218 A/W64 *

SKF 3218 A/W64 *轴承尺寸图纸

李工:138-8949-5179

刘工:135-0428-8802

地址:辽宁省大连经济技术开发区现代城3栋-13-13号

在线客服系统