李工:138-8949-5179 刘工:135-0428-8802
型号查询
轴承型号   常见搜索: 6016轴承 2025轴承 3214轴承 6017轴承 6021轴承 6205轴承
型号查询 X

轴承专区

Bearings Center

6310-2Z *轴承-SKF 6310-2Z *轴承尺寸、图纸、价格

SKF 6310-2Z *轴承

产品名称:6310-2Z *轴承 品牌:SKF
类型:SKF轴承 > 滚动轴承 > 深沟球轴承
描述:6310-2Z *轴承是【SKF轴承 > 滚动轴承 > 深沟球轴承】的型号,主要用在各种产业机械、离心分离机、提升机、变速器、减速装置、制铁制钢机械、发电厂、精细化工机械、堆取料机、塔式车库等各大领域

 电话/微信:138-8949-5179

SKF 6310-2Z *轴承详细信息

6310-2Z *轴承是【SKF轴承 > 滚动轴承 > 深沟球轴承】的型号,主要用在各种产业机械、离心分离机、提升机、变速器、减速装置、制铁制钢机械、发电厂、精细化工机械、堆取料机、塔式车库等各大领域。

SKF 6310-2Z *轴承详细参数

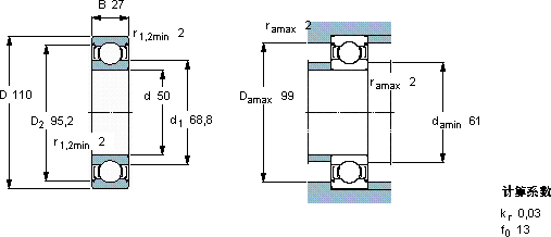
深沟球轴承, 单列, 两面防尘罩
主要数据尺寸基本负荷额定值疲劳负荷限值额定速度体积型号
动态静态参照速度限制速度
dDBCC0Pu * - SKF Explorer 轴承
mmkNkNr/minkg-
501102765381,61300067001,056310-2Z *

SKF 6310-2Z *轴承尺寸图纸

李工:138-8949-5179

刘工:135-0428-8802

地址:辽宁省大连经济技术开发区现代城3栋-13-13号

在线客服系统