李工:138-8949-5179 刘工:135-0428-8802
型号查询
轴承型号   常见搜索: 6007轴承 6214轴承 22222轴承 6011轴承 6032轴承 6010轴承
型号查询 X

轴承专区

Bearings Center

BT4B 334011轴承-SKF BT4B 334011轴承尺寸、图纸、价格

SKF BT4B 334011轴承

产品名称:BT4B 334011轴承 品牌:SKF
类型:SKF轴承 > 滚动轴承 > 圆锥滚子轴承
描述:BT4B 334011轴承是【SKF轴承 > 滚动轴承 > 圆锥滚子轴承】的型号,主要用在通用电动机、差速器小齿轮轴、燃汽轮机、小齿轮轴、轧钢机齿轮箱座、机床主轴、轧钢机轧制螺杆用减速机、薄膜拉伸、混凝土机械、刮泥机等各大领域

 电话/微信:138-8949-5179

SKF BT4B 334011轴承详细信息

BT4B 334011轴承是【SKF轴承 > 滚动轴承 > 圆锥滚子轴承】的型号,主要用在通用电动机、差速器小齿轮轴、燃汽轮机、小齿轮轴、轧钢机齿轮箱座、机床主轴、轧钢机轧制螺杆用减速机、薄膜拉伸、混凝土机械、刮泥机等各大领域。

SKF BT4B 334011轴承详细参数

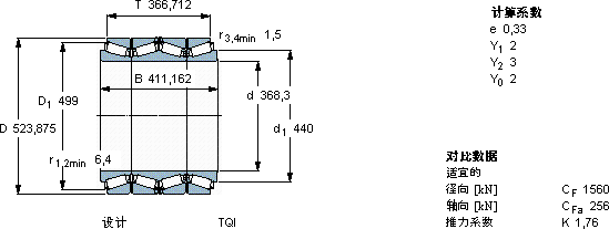
圆锥滚子轴承, 四列,TQI结构, TQI
主要数据尺寸基本负荷额定值疲劳负荷限值体积型号
动态静态
dDTBCC0Pu
mmkNkNkg-
368,3523,875366,712411,1625830150001160275BT4B 334011

SKF BT4B 334011轴承尺寸图纸

李工:138-8949-5179

刘工:135-0428-8802

地址:辽宁省大连经济技术开发区现代城3栋-13-13号

在线客服系统