轴承专区
Bearings Center
718/1000 AMB轴承-SKF 718/1000 AMB轴承尺寸、图纸、价格
SKF 718/1000 AMB轴承
| 产品名称: | 718/1000 AMB轴承 | 品牌: | SKF |
|---|---|---|---|
| 类型: | SKF轴承 > 滚动轴承 > 角接触球轴承 | ||
| 描述: | 718/1000 AMB轴承是【SKF轴承 > 滚动轴承 > 角接触球轴承】的型号,主要用在通用电动机、离心分离机、汽车发动机、变速器、轧钢机齿轮箱座、制铁制钢机械、轧钢机轧制螺杆用减速机、钟表、起重机械、太阳能发电设备等各大领域 | ||
电话/微信:138-8949-5179
SKF 718/1000 AMB轴承详细信息
718/1000 AMB轴承是【SKF轴承 > 滚动轴承 > 角接触球轴承】的型号,主要用在通用电动机、离心分离机、汽车发动机、变速器、轧钢机齿轮箱座、制铁制钢机械、轧钢机轧制螺杆用减速机、钟表、起重机械、太阳能发电设备等各大领域。
SKF 718/1000 AMB轴承详细参数
| 角接触球轴承, 单列 | |||||||||||
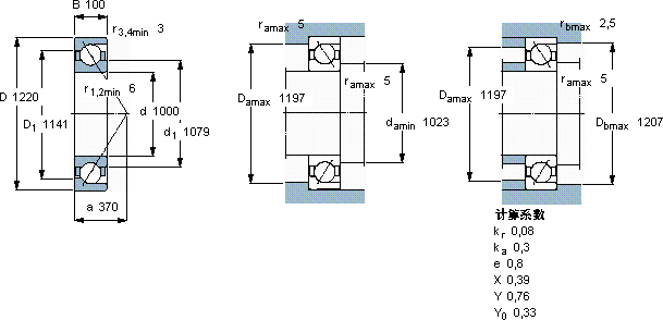
| 主要数据尺寸 | 尺寸 [英寸] | 疲劳负荷限值 | 额定速度 | 体积 | 型号 | ||||||
| 动态 | 静态 | 参照速度 | 限制速度 | ||||||||
| d | D | B | C | C0 | Pu | ||||||
| mm | kN | kN | r/min | kg | - | ||||||
| 1000 | 1220 | 100 | 923 | 2750 | 39 | 400 | 430 | 245 | 718/1000 AMB | ||
SKF 718/1000 AMB轴承尺寸图纸

