李工:138-8949-5179 刘工:135-0428-8802
型号查询
轴承型号   常见搜索: 6005轴承 6020轴承 6007轴承 6012轴承 6026轴承 6010轴承
型号查询 X

轴承专区

Bearings Center

SALKB 6 F轴承-SKF SALKB 6 F轴承尺寸、图纸、价格

SKF SALKB 6 F轴承

产品名称:SALKB 6 F轴承 品牌:SKF
类型:SKF轴承 > 球面滑动轴承和杆端关节轴承 > 免维护的杆端关节轴承
描述:SALKB 6 F轴承是【SKF轴承 > 球面滑动轴承和杆端关节轴承 > 免维护的杆端关节轴承】的型号,主要用在各种产业机械、离心分离机、燃汽轮机、变速器、各类产业用减速机、制铁制钢机械、发电厂、精细化工机械、堆取料机、塔式车库等各大领域

 电话/微信:138-8949-5179

SKF SALKB 6 F轴承详细信息

SALKB 6 F轴承是【SKF轴承 > 球面滑动轴承和杆端关节轴承 > 免维护的杆端关节轴承】的型号,主要用在各种产业机械、离心分离机、燃汽轮机、变速器、各类产业用减速机、制铁制钢机械、发电厂、精细化工机械、堆取料机、塔式车库等各大领域。

SKF SALKB 6 F轴承详细参数

免维护杆端, 阳螺纹, 钢/PTFE复合材料
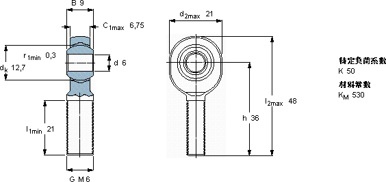
主要数据尺寸角度倾的基本负荷额定值质量型号
动态静态轴承座完全与密封件
dd2Bd3C1h±CC0
6g
mm度数kNkg-
6219M 66,7536134,256,80,021SALKB 6 F

SKF SALKB 6 F轴承尺寸图纸

李工:138-8949-5179

刘工:135-0428-8802

地址:辽宁省大连经济技术开发区现代城3栋-13-13号

在线客服系统