轴承专区
Bearings Center
FBSA 209/ DF轴承-SKF FBSA 209/ DF轴承尺寸、图纸、价格
SKF FBSA 209/ DF轴承
| 产品名称: | FBSA 209/ DF轴承 | 品牌: | SKF |
|---|---|---|---|
| 类型: | SKF轴承 > 超高精密轴承 > Angular contact thrust ball bearings for screw drives | ||
| 描述: | FBSA 209/ DF轴承是【SKF轴承 > 超高精密轴承 > Angular contact thrust ball bearings for screw drives】的型号,主要用在变速器、离心分离机、挖土机履带轮、变速器、减速装置、石油钻机转环、立式电动机、饮料设备、轻工机械、机械手等各大领域 | ||
电话/微信:138-8949-5179
SKF FBSA 209/ DF轴承详细信息
FBSA 209/ DF轴承是【SKF轴承 > 超高精密轴承 > Angular contact thrust ball bearings for screw drives】的型号,主要用在变速器、离心分离机、挖土机履带轮、变速器、减速装置、石油钻机转环、立式电动机、饮料设备、轻工机械、机械手等各大领域。
SKF FBSA 209/ DF轴承详细参数
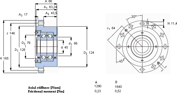
| 角接触推力球轴承 for screw drives, cartridge units with flanged housing | |||||||||||
| 主要数据尺寸 | 基本负荷额定值 | 疲劳负荷限值 | 可达到的速度 | 体积 | 型号 | ||||||
| 动态 | 静态 | 预压 | SKF | SNFA | |||||||
| A | B | ||||||||||
| d | D2 | A | C | C0 | Pu | ||||||
| mm | kN | kN | r/min | kg | - | ||||||
| 45 | 124 | 66 | 45 | 134 | 4,9 | 5040 | 2520 | 5,9 | FBSA 209/ DF | BSDU 245 FF | |
SKF FBSA 209/ DF轴承尺寸图纸

