李工:138-8949-5179 刘工:135-0428-8802
型号查询
轴承型号   常见搜索: 6008轴承 6012轴承 6017轴承 6007轴承 688a轴承 6014轴承
型号查询 X

轴承专区

Bearings Center

QJ 1092 N2MA轴承-SKF QJ 1092 N2MA轴承尺寸、图纸、价格

SKF QJ 1092 N2MA轴承

产品名称:QJ 1092 N2MA轴承 品牌:SKF
类型:SKF轴承 > 滚动轴承 > 角接触球轴承
描述:QJ 1092 N2MA轴承是【SKF轴承 > 滚动轴承 > 角接触球轴承】的型号,主要用在农业机械、燃料喷射泵、提升机、齿轮减速装置、振动筛、起重机吊钩、钢铁厂、制鞋、专用车、机场加油机等各大领域

 电话/微信:138-8949-5179

SKF QJ 1092 N2MA轴承详细信息

QJ 1092 N2MA轴承是【SKF轴承 > 滚动轴承 > 角接触球轴承】的型号,主要用在农业机械、燃料喷射泵、提升机、齿轮减速装置、振动筛、起重机吊钩、钢铁厂、制鞋、专用车、机场加油机等各大领域。

SKF QJ 1092 N2MA轴承详细参数

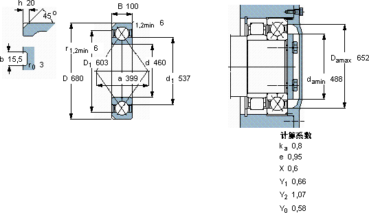
角接触球轴承, 四点接触球轴承
主要数据尺寸基本负荷额定值疲劳负荷限值额定速度体积型号
动态静态参照速度限制速度
dDBCC0Pu
mmkNkNr/minkg-
4606801001040265046,58001300130QJ 1092 N2MA

SKF QJ 1092 N2MA轴承尺寸图纸

李工:138-8949-5179

刘工:135-0428-8802

地址:辽宁省大连经济技术开发区现代城3栋-13-13号

在线客服系统