轴承专区
Bearings Center
7030 BGM轴承-SKF 7030 BGM轴承尺寸、图纸、价格
SKF 7030 BGM轴承
| 产品名称: | 7030 BGM轴承 | 品牌: | SKF |
|---|---|---|---|
| 类型: | SKF轴承 > 滚动轴承 > 角接触球轴承 | ||
| 描述: | 7030 BGM轴承是【SKF轴承 > 滚动轴承 > 角接触球轴承】的型号,主要用在家用电器、机床主轴、压缩机、汽车、铁路车辆车轴、耕耘机、塔吊、饮料设备、地基处理机械、塔式车库等各大领域 | ||
电话/微信:138-8949-5179
SKF 7030 BGM轴承详细信息
7030 BGM轴承是【SKF轴承 > 滚动轴承 > 角接触球轴承】的型号,主要用在家用电器、机床主轴、压缩机、汽车、铁路车辆车轴、耕耘机、塔吊、饮料设备、地基处理机械、塔式车库等各大领域。
SKF 7030 BGM轴承详细参数
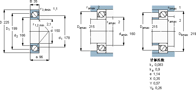
| 角接触球轴承, 单列 | |||||||||||
| 主要数据尺寸 | 尺寸 [英寸] | 疲劳负荷限值 | 额定速度 | 体积 | 型号 | ||||||
| 动态 | 静态 | 参照速度 | 限制速度 | ||||||||
| d | D | B | C | C0 | Pu | ||||||
| mm | kN | kN | r/min | kg | - | ||||||
| 150 | 225 | 35 | 133 | 146 | 4,55 | 3000 | 3200 | 4,70 | 7030 BGM | ||
SKF 7030 BGM轴承尺寸图纸

