李工:138-8949-5179 刘工:135-0428-8802
型号查询
轴承型号   常见搜索: 6019轴承 6022轴承 1轴承 23136轴承 6014轴承 6018轴承
型号查询 X

轴承专区

Bearings Center

3318 DMA轴承-SKF 3318 DMA轴承尺寸、图纸、价格

SKF 3318 DMA轴承

产品名称:3318 DMA轴承 品牌:SKF
类型:SKF轴承 > 滚动轴承 > 角接触球轴承
描述:3318 DMA轴承是【SKF轴承 > 滚动轴承 > 角接触球轴承】的型号,主要用在通用电动机、差速器小齿轮轴、减速装置、小齿轮轴、破碎机、机床等的变速装置、轧钢机轧制螺杆用减速机、化纤机械、工程船舶、刮泥机等各大领域

 电话/微信:138-8949-5179

SKF 3318 DMA轴承详细信息

3318 DMA轴承是【SKF轴承 > 滚动轴承 > 角接触球轴承】的型号,主要用在通用电动机、差速器小齿轮轴、减速装置、小齿轮轴、破碎机、机床等的变速装置、轧钢机轧制螺杆用减速机、化纤机械、工程船舶、刮泥机等各大领域。

SKF 3318 DMA轴承详细参数

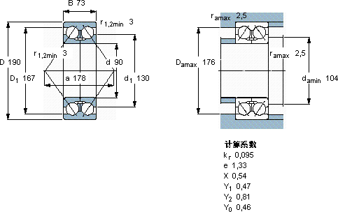
角接触球轴承, 双列, 无密封件, 两部份内圈
主要数据尺寸基本负荷额定值疲劳负荷限值额定速度体积型号
动态静态参照速度限制速度
dDBCC0Pu
mmkNkNr/minkg-
90190732252508,83000320010,03318 DMA

SKF 3318 DMA轴承尺寸图纸

李工:138-8949-5179

刘工:135-0428-8802

地址:辽宁省大连经济技术开发区现代城3栋-13-13号

在线客服系统