轴承专区
Bearings Center
FYT 1.3/16 RM轴承-SKF FYT 1.3/16 RM轴承尺寸、图纸、价格
SKF FYT 1.3/16 RM轴承
| 产品名称: | FYT 1.3/16 RM轴承 | 品牌: | SKF |
|---|---|---|---|
| 类型: | SKF轴承 > 轴承单元 > Y-轴承法兰单元 | ||
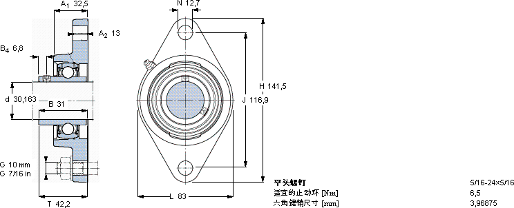
| 描述: | FYT 1.3/16 RM轴承是【SKF轴承 > 轴承单元 > Y-轴承法兰单元】的型号,主要用在内燃机、油泵、汽车发动机、机床主轴、造纸机械、石油钻机、挤压机、烟草机械、解体机、抓钢机等各大领域 | ||
电话/微信:138-8949-5179
SKF FYT 1.3/16 RM轴承详细信息
FYT 1.3/16 RM轴承是【SKF轴承 > 轴承单元 > Y-轴承法兰单元】的型号,主要用在内燃机、油泵、汽车发动机、机床主轴、造纸机械、石油钻机、挤压机、烟草机械、解体机、抓钢机等各大领域。
SKF FYT 1.3/16 RM轴承详细参数
| Y-型轴承带法兰单元, 椭圆形铸造轴承座,平头螺钉锁定, 英制轴承 | ||||||||||||
| 尺寸 | 基本负荷额定值 | 限制速度 | 质量 | 型号 | ||||||||
| 动态 | 静态 | 轴承单元 | 轴承座 | 轴承 | ||||||||
| d | A1 | J | L | T | C | C0 | 带轴公差h6 | |||||
| mm | kN | r/min | kg | - | ||||||||
| 30,163 | 32,5 | 116,9 | 83 | 42,2 | 19,5 | 11,2 | 6300 | 0,88 | FYT 1.3/16 RM | FYT 506 U | YAT 206-103 | |
SKF FYT 1.3/16 RM轴承尺寸图纸

