轴承专区
Bearings Center
C 2208 KV + H 308 *轴承-SKF C 2208 KV + H 308 *轴承尺寸、图纸、价格
SKF C 2208 KV + H 308 *轴承
| 产品名称: | C 2208 KV + H 308 *轴承 | 品牌: | SKF |
|---|---|---|---|
| 类型: | SKF轴承 > 滚动轴承 > CARB®圆环滚子轴承 | ||
| 描述: | C 2208 KV + H 308 *轴承是【SKF轴承 > 滚动轴承 > CARB®圆环滚子轴承】的型号,主要用在后轮、燃料喷射泵、变速器、齿轮减速装置、轧钢机辊道子、起重机吊钩、水力发电机、精细化工机械、强夯机、泥炮等各大领域 | ||
电话/微信:138-8949-5179
SKF C 2208 KV + H 308 *轴承详细信息
C 2208 KV + H 308 *轴承是【SKF轴承 > 滚动轴承 > CARB®圆环滚子轴承】的型号,主要用在后轮、燃料喷射泵、变速器、齿轮减速装置、轧钢机辊道子、起重机吊钩、水力发电机、精细化工机械、强夯机、泥炮等各大领域。
SKF C 2208 KV + H 308 *轴承详细参数
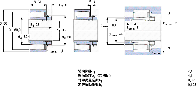
| CARB圆环滚子轴承, 带紧定套的, 满 | |||||||||||
| 主要数据尺寸 | 基本负荷额定值 | 疲劳负荷限值 | 额定速度 | 体积 | 型号 | ||||||
| 动态 | 静态 | 参照速度 | 限制速度 | 轴承 + 紧定套 | |||||||
| d1 | D | B | C | C0 | Pu | * - SKF Explorer 轴承 | **-请查实能否供货 | ||||
| mm | kN | kN | r/min | kg | - | ||||||
| 35 | 80 | 23 | 102 | 104 | 12 | - | 4500 | 0,70 | C 2208 KV + H 308 * | - | |
SKF C 2208 KV + H 308 *轴承尺寸图纸

