李工:138-8949-5179 刘工:135-0428-8802
型号查询
轴承型号   常见搜索: 6020轴承 6021轴承 6022轴承 23136轴承 6011轴承 6008轴承
型号查询 X

轴承专区

Bearings Center

6418轴承-SKF 6418轴承尺寸、图纸、价格

SKF 6418轴承

产品名称:6418轴承 品牌:SKF
类型:SKF轴承 > 滚动轴承 > 深沟球轴承
描述:6418轴承是【SKF轴承 > 滚动轴承 > 深沟球轴承】的型号,主要用在铁路车辆、油泵、挖土机履带轮、机床主轴、木工机械、石油钻机、冶炼厂、薄膜拉伸、解体机、机械手等各大领域

 电话/微信:138-8949-5179

SKF 6418轴承详细信息

6418轴承是【SKF轴承 > 滚动轴承 > 深沟球轴承】的型号,主要用在铁路车辆、油泵、挖土机履带轮、机床主轴、木工机械、石油钻机、冶炼厂、薄膜拉伸、解体机、机械手等各大领域。

SKF 6418轴承详细参数

深沟球轴承, 单列, 无密封件
主要数据尺寸基本负荷额定值疲劳负荷限值额定速度体积型号
动态静态参照速度限制速度
dDBCC0Pu
mmkNkNr/minkg-
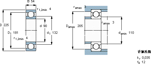
902255418615056700430011,56418

SKF 6418轴承尺寸图纸

李工:138-8949-5179

刘工:135-0428-8802

地址:辽宁省大连经济技术开发区现代城3栋-13-13号

在线客服系统