轴承专区
Bearings Center
2 x 708/500 AGMB轴承-SKF 2 x 708/500 AGMB轴承尺寸、图纸、价格
SKF 2 x 708/500 AGMB轴承
| 产品名称: | 2 x 708/500 AGMB轴承 | 品牌: | SKF |
|---|---|---|---|
| 类型: | SKF轴承 > 滚动轴承 > 角接触球轴承 | ||
| 描述: | 2 x 708/500 AGMB轴承是【SKF轴承 > 滚动轴承 > 角接触球轴承】的型号,主要用在电气装置部件、油泵、变速器、机床主轴、铁路车辆车轴、石油钻机、船舶用螺旋桨轴、化纤机械、给料机械、摩天轮等各大领域 | ||
电话/微信:138-8949-5179
SKF 2 x 708/500 AGMB轴承详细信息
2 x 708/500 AGMB轴承是【SKF轴承 > 滚动轴承 > 角接触球轴承】的型号,主要用在电气装置部件、油泵、变速器、机床主轴、铁路车辆车轴、石油钻机、船舶用螺旋桨轴、化纤机械、给料机械、摩天轮等各大领域。
SKF 2 x 708/500 AGMB轴承详细参数
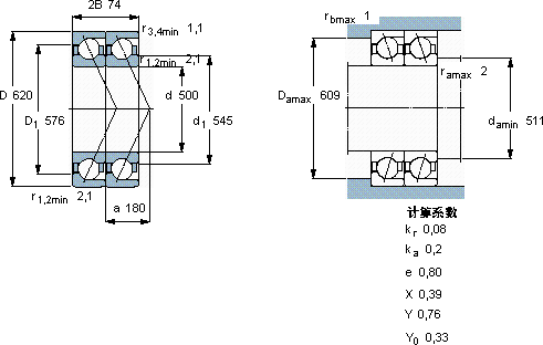
| 角接触球轴承, 单列,用于配对安装, 前后配对 | |||||||||||
| 主要数据尺寸 | 基本负荷额定值 | 疲劳负荷限值 | 额定速度 | 体积 | 型号 | 轴承配对 | |||||
| 动态 | 静态 | 参照速度 | 限制速度 | ||||||||
| d | D | 2B | C | C0 | Pu | ||||||
| mm | kN | kN | r/min | kg | - | - | |||||
| 500 | 620 | 74 | 442 | 1220 | 22 | 800 | 1000 | 54,0 | 2 × 708/500 AGMB | DT | |
SKF 2 x 708/500 AGMB轴承尺寸图纸

