李工:138-8949-5179 刘工:135-0428-8802
型号查询
轴承型号   常见搜索: 2025轴承 71913轴承 6005轴承 6015轴承 6018轴承 6019轴承
型号查询 X

轴承专区

Bearings Center

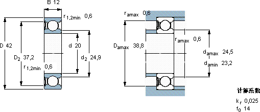
6004-RSH *轴承-SKF 6004-RSH *轴承尺寸、图纸、价格

SKF 6004-RSH *轴承

产品名称:6004-RSH *轴承 品牌:SKF
类型:SKF轴承 > 滚动轴承 > 深沟球轴承
描述:6004-RSH *轴承是【SKF轴承 > 滚动轴承 > 深沟球轴承】的型号,主要用在后轮、空气压缩机、挖土机履带轮、大型农业机械、振动筛、汽车转向销、水力发电机、薄膜拉伸、掘进机、焊接机器人等各大领域

 电话/微信:138-8949-5179

SKF 6004-RSH *轴承详细信息

6004-RSH *轴承是【SKF轴承 > 滚动轴承 > 深沟球轴承】的型号,主要用在后轮、空气压缩机、挖土机履带轮、大型农业机械、振动筛、汽车转向销、水力发电机、薄膜拉伸、掘进机、焊接机器人等各大领域。

SKF 6004-RSH *轴承详细参数

深沟球轴承, 单列, 单面密封件
主要数据尺寸基本负荷额定值疲劳负荷限值额定速度体积型号
动态静态参照速度限制速度
dDBCC0Pu * - SKF Explorer 轴承
mmkNkNr/minkg-
2042129,9550,212-110000,0696004-RSH *

SKF 6004-RSH *轴承尺寸图纸

李工:138-8949-5179

刘工:135-0428-8802

地址:辽宁省大连经济技术开发区现代城3栋-13-13号

在线客服系统