李工:138-8949-5179 刘工:135-0428-8802
型号查询
轴承型号   常见搜索: 6026轴承 71913轴承 6016轴承 6028轴承 6019轴承 22222轴承
型号查询 X

轴承专区

Bearings Center

6413 N轴承-SKF 6413 N轴承尺寸、图纸、价格

SKF 6413 N轴承

产品名称:6413 N轴承 品牌:SKF
类型:SKF轴承 > 滚动轴承 > 深沟球轴承
描述:6413 N轴承是【SKF轴承 > 滚动轴承 > 深沟球轴承】的型号,主要用在铁路车辆、机床主轴、发电机、汽车、造纸机械、汽车转向销、冶炼厂、电子、土方机械、机械手等各大领域

 电话/微信:138-8949-5179

SKF 6413 N轴承详细信息

6413 N轴承是【SKF轴承 > 滚动轴承 > 深沟球轴承】的型号,主要用在铁路车辆、机床主轴、发电机、汽车、造纸机械、汽车转向销、冶炼厂、电子、土方机械、机械手等各大领域。

SKF 6413 N轴承详细参数

深沟球轴承, 单列,带止动环槽, 无密封件
主要数据尺寸基本负荷额定值疲劳负荷限值额定速度体积型号
动态静态参照速度限制速度轴承止动环
(R = 带止动环)
dDBCC0Pu
mmkNkNr/minkg-
6516037119783,15950060003,306413 NSP 160

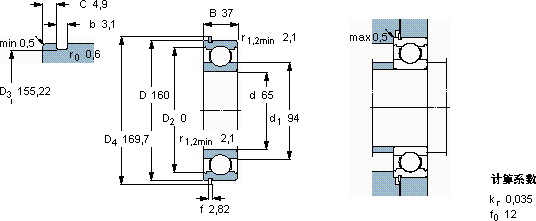
SKF 6413 N轴承尺寸图纸

李工:138-8949-5179

刘工:135-0428-8802

地址:辽宁省大连经济技术开发区现代城3栋-13-13号

在线客服系统