李工:138-8949-5179 刘工:135-0428-8802
型号查询
轴承型号   常见搜索: 6214轴承 6020轴承 6003轴承 6014轴承 6909轴承 6009轴承
型号查询 X

轴承专区

Bearings Center

OH 3052 H轴承-SKF OH 3052 H轴承尺寸、图纸、价格

SKF OH 3052 H轴承

产品名称:OH 3052 H轴承 品牌:SKF
类型:SKF轴承 > 滚动轴承 > 轴承附件
描述:OH 3052 H轴承是【SKF轴承 > 滚动轴承 > 轴承附件】的型号,主要用在电气装置部件、机床主轴、桥式起重机、汽车、振动筛、耕耘机、船舶用螺旋桨轴、塑料、平地机、摩天轮等各大领域

 电话/微信:138-8949-5179

SKF OH 3052 H轴承详细信息

OH 3052 H轴承是【SKF轴承 > 滚动轴承 > 轴承附件】的型号,主要用在电气装置部件、机床主轴、桥式起重机、汽车、振动筛、耕耘机、船舶用螺旋桨轴、塑料、平地机、摩天轮等各大领域。

SKF OH 3052 H轴承详细参数

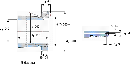
紧定套
尺寸体积型号
紧定轴套带螺母锁定螺母锁定装置适宜的液压
d1dd3B1G和锁紧装置螺母
mmkg-
240260310145Tr 260x413,5OH 3052 HHM 3052MS 3052-48HMV 52 E

SKF OH 3052 H轴承尺寸图纸

李工:138-8949-5179

刘工:135-0428-8802

地址:辽宁省大连经济技术开发区现代城3栋-13-13号

在线客服系统