轴承专区
Bearings Center
232/670 CAK/W33 + OH 32/670 H轴承-SKF 232/670 CAK/W33 + OH 32/670 H轴承尺寸、图纸、价格
SKF 232/670 CAK/W33 + OH 32/670 H轴承
| 产品名称: | 232/670 CAK/W33 + OH 32/670 H轴承 | 品牌: | SKF |
|---|---|---|---|
| 类型: | SKF轴承 > 滚动轴承 > 球面滚子轴承 | ||
| 描述: | 232/670 CAK/W33 + OH 32/670 H轴承是【SKF轴承 > 滚动轴承 > 球面滚子轴承】的型号,主要用在飞机喷气式发动机、小型汽车前轮、纺织机械传动轴、差速器、木工机械、耕耘机、燃机、饮料设备、平地机、厨具设备等各大领域 | ||
电话/微信:138-8949-5179
SKF 232/670 CAK/W33 + OH 32/670 H轴承详细信息
232/670 CAK/W33 + OH 32/670 H轴承是【SKF轴承 > 滚动轴承 > 球面滚子轴承】的型号,主要用在飞机喷气式发动机、小型汽车前轮、纺织机械传动轴、差速器、木工机械、耕耘机、燃机、饮料设备、平地机、厨具设备等各大领域。
SKF 232/670 CAK/W33 + OH 32/670 H轴承详细参数
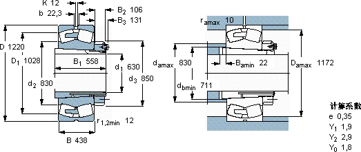
| 球面滚子轴承, 带紧定套的 | ||||||||||
| 主要数据尺寸 | 基本负荷额定值 | 疲劳负荷限值 | 额定速度 | 体积 | 型号 | |||||
| 动态 | 静态 | 参照速度 | 限制速度 | 轴承 + 紧定套 | ||||||
| d1 | D | B | C | C0 | Pu | |||||
| mm | kN | kN | r/min | kg | - | |||||
| 630 | 1220 | 438 | 15400 | 30500 | 1700 | 220 | 360 | 2535 | 232/670 CAK/W33 + OH 32/670 H | |
SKF 232/670 CAK/W33 + OH 32/670 H轴承尺寸图纸

