轴承专区
Bearings Center
628-2RZ *轴承-SKF 628-2RZ *轴承尺寸、图纸、价格
SKF 628-2RZ *轴承
| 产品名称: | 628-2RZ *轴承 | 品牌: | SKF |
|---|---|---|---|
| 类型: | SKF轴承 > 滚动轴承 > 深沟球轴承 | ||
| 描述: | 628-2RZ *轴承是【SKF轴承 > 滚动轴承 > 深沟球轴承】的型号,主要用在内燃机、燃料喷射泵、纺织机械传动轴、齿轮减速装置、振动筛、石油钻机、挤压机、精细化工机械、给料机械、码垛机器人等各大领域 | ||
电话/微信:138-8949-5179
SKF 628-2RZ *轴承详细信息
628-2RZ *轴承是【SKF轴承 > 滚动轴承 > 深沟球轴承】的型号,主要用在内燃机、燃料喷射泵、纺织机械传动轴、齿轮减速装置、振动筛、石油钻机、挤压机、精细化工机械、给料机械、码垛机器人等各大领域。
SKF 628-2RZ *轴承详细参数
| 深沟球轴承, 单列, 低摩擦两面密封件 | |||||||||||
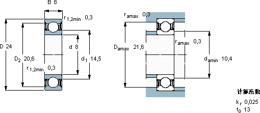
| 主要数据尺寸 | 基本负荷额定值 | 疲劳负荷限值 | 额定速度 | 体积 | 型号 | ||||||
| 动态 | 静态 | 参照速度 | 限制速度 | ||||||||
| d | D | B | C | C0 | Pu | * - SKF Explorer 轴承 | |||||
| mm | kN | kN | r/min | kg | - | ||||||
| 8 | 24 | 8 | 3,9 | 1,66 | 0,071 | 63000 | 32000 | 0,017 | 628-2RZ * | ||
SKF 628-2RZ *轴承尺寸图纸

