李工:138-8949-5179 刘工:135-0428-8802
型号查询
轴承型号   常见搜索: 3214轴承 6016轴承 6010轴承 6028轴承 6909轴承 6006轴承
型号查询 X

轴承专区

Bearings Center

HMVC 68E轴承-SKF HMVC 68E轴承尺寸、图纸、价格

SKF HMVC 68E轴承

产品名称:HMVC 68E轴承 品牌:SKF
类型:SKF轴承 > 滚动轴承 > 轴承附件
描述:HMVC 68E轴承是【SKF轴承 > 滚动轴承 > 轴承附件】的型号,主要用在装卸搬运机械、各类变速器、燃汽轮机、铁路车辆、破碎机、机床等的变速装置、矿山、钟表、工程船舶、摩天轮等各大领域

 电话/微信:138-8949-5179

SKF HMVC 68E轴承详细信息

HMVC 68E轴承是【SKF轴承 > 滚动轴承 > 轴承附件】的型号,主要用在装卸搬运机械、各类变速器、燃汽轮机、铁路车辆、破碎机、机床等的变速装置、矿山、钟表、工程船舶、摩天轮等各大领域。

SKF HMVC 68E轴承详细参数

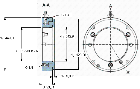
Hydraulic nuts, inch sizes
螺纹尺寸尺寸PermittedPiston area体积型号
piston
Gd1d2d3BB1displacement
mmmm (metric sizes)mmmmmm2 (metric sizes)kg-
in - threads/in (inch sizes)in2 (inch sizes)
335,76313.339 in - 6342,9429,26449,5853,349,90613,974469,4HMVC 68E-

SKF HMVC 68E轴承尺寸图纸

李工:138-8949-5179

刘工:135-0428-8802

地址:辽宁省大连经济技术开发区现代城3栋-13-13号

在线客服系统