李工:138-8949-5179 刘工:135-0428-8802
型号查询
轴承型号   常见搜索: 6015轴承 71913轴承 6001轴承 617轴承 6024轴承 6008轴承
型号查询 X

轴承专区

Bearings Center

307352轴承-SKF 307352轴承尺寸、图纸、价格

SKF 307352轴承

产品名称:307352轴承 品牌:SKF
类型:SKF轴承 > 滚动轴承 > 角接触球轴承
描述:307352轴承是【SKF轴承 > 滚动轴承 > 角接触球轴承】的型号,主要用在后轮、油泵、木工机械、机床主轴、木工机械、起重机吊钩、水力发电机、烟草机械、专用车、港口起重机等各大领域

 电话/微信:138-8949-5179

SKF 307352轴承详细信息

307352轴承是【SKF轴承 > 滚动轴承 > 角接触球轴承】的型号,主要用在后轮、油泵、木工机械、机床主轴、木工机械、起重机吊钩、水力发电机、烟草机械、专用车、港口起重机等各大领域。

SKF 307352轴承详细参数

角接触球轴承, 单列
主要数据尺寸尺寸 [英寸]疲劳负荷限值额定速度体积型号
动态静态参照速度限制速度
dDBCC0Pu
mmkNkNr/minkg-
4656357646898017,690095070,5307352

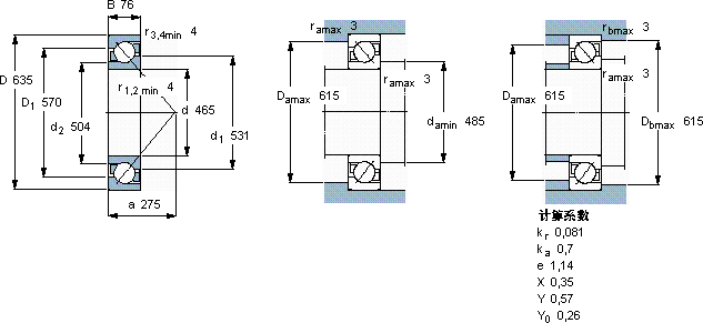
SKF 307352轴承尺寸图纸

李工:138-8949-5179

刘工:135-0428-8802

地址:辽宁省大连经济技术开发区现代城3栋-13-13号

在线客服系统