李工:138-8949-5179 刘工:135-0428-8802
型号查询
轴承型号   常见搜索: 6009轴承 6006轴承 2025轴承 22222轴承 6003轴承 6001轴承
型号查询 X

轴承专区

Bearings Center

23276 CAK/W33 + OH 3276 H *轴承-SKF 23276 CAK/W33 + OH 3276 H *轴承尺寸、图纸、价格

SKF 23276 CAK/W33 + OH 3276 H *轴承

产品名称:23276 CAK/W33 + OH 3276 H *轴承 品牌:SKF
类型:SKF轴承 > 滚动轴承 > 球面滚子轴承
描述:23276 CAK/W33 + OH 3276 H *轴承是【SKF轴承 > 滚动轴承 > 球面滚子轴承】的型号,主要用在农业机械、空气压缩机、挖土机履带轮、大型农业机械、轧钢机辊道子、汽车转向销、钢铁厂、薄膜拉伸、掘进机、刮泥机等各大领域

 电话/微信:138-8949-5179

SKF 23276 CAK/W33 + OH 3276 H *轴承详细信息

23276 CAK/W33 + OH 3276 H *轴承是【SKF轴承 > 滚动轴承 > 球面滚子轴承】的型号,主要用在农业机械、空气压缩机、挖土机履带轮、大型农业机械、轧钢机辊道子、汽车转向销、钢铁厂、薄膜拉伸、掘进机、刮泥机等各大领域。

SKF 23276 CAK/W33 + OH 3276 H *轴承详细参数

球面滚子轴承, 带紧定套的
主要数据尺寸基本负荷额定值疲劳负荷限值额定速度体积型号
动态静态参照速度限制速度轴承 + 紧定套
d1DBCC0Pu
* - SKF Explorer 轴承
mmkNkNr/minkg-
3606802405850915062050075042023276 CAK/W33 + OH 3276 H *

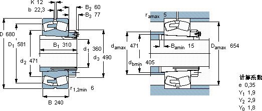
SKF 23276 CAK/W33 + OH 3276 H *轴承尺寸图纸

李工:138-8949-5179

刘工:135-0428-8802

地址:辽宁省大连经济技术开发区现代城3栋-13-13号

在线客服系统