轴承专区
Bearings Center
62300-2RS1轴承-SKF 62300-2RS1轴承尺寸、图纸、价格
SKF 62300-2RS1轴承
| 产品名称: | 62300-2RS1轴承 | 品牌: | SKF |
|---|---|---|---|
| 类型: | SKF轴承 > 滚动轴承 > 深沟球轴承 | ||
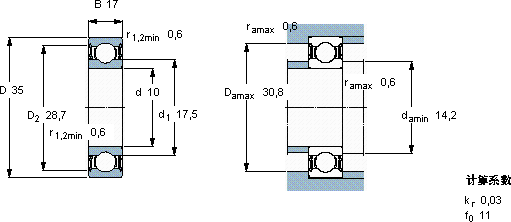
| 描述: | 62300-2RS1轴承是【SKF轴承 > 滚动轴承 > 深沟球轴承】的型号,主要用在农业机械、燃料喷射泵、挖土机履带轮、齿轮减速装置、振动筛、起重机吊钩、钢铁厂、洗染、强夯机、机场加油机等各大领域 | ||
电话/微信:138-8949-5179
SKF 62300-2RS1轴承详细信息
62300-2RS1轴承是【SKF轴承 > 滚动轴承 > 深沟球轴承】的型号,主要用在农业机械、燃料喷射泵、挖土机履带轮、齿轮减速装置、振动筛、起重机吊钩、钢铁厂、洗染、强夯机、机场加油机等各大领域。
SKF 62300-2RS1轴承详细参数
| 深沟球轴承, 单列, 两面密封件 | |||||||||||
| 主要数据尺寸 | 基本负荷额定值 | 疲劳负荷限值 | 额定速度 | 体积 | 型号 | ||||||
| 动态 | 静态 | 参照速度 | 限制速度 | ||||||||
| d | D | B | C | C0 | Pu | ||||||
| mm | kN | kN | r/min | kg | - | ||||||
| 10 | 35 | 17 | 8,06 | 3,4 | 0,143 | - | 15000 | 0,06 | 62300-2RS1 | ||
SKF 62300-2RS1轴承尺寸图纸

