李工:138-8949-5179 刘工:135-0428-8802
型号查询
轴承型号   常见搜索: 6305轴承 71913轴承 6032轴承 688a轴承 22222轴承 6028轴承
型号查询 X

轴承专区

Bearings Center

FT 3/4 FM轴承-SKF FT 3/4 FM轴承尺寸、图纸、价格

SKF FT 3/4 FM轴承

产品名称:FT 3/4 FM轴承 品牌:SKF
类型:SKF轴承 > 轴承单元 > Y-轴承法兰单元
描述:FT 3/4 FM轴承是【SKF轴承 > 轴承单元 > Y-轴承法兰单元】的型号,主要用在建筑机械、各类变速器、汽车发动机、铁路车辆、减速装置、机床主轴、成形机、钟表、挖掘机、港口起重机等各大领域

 电话/微信:138-8949-5179

SKF FT 3/4 FM轴承详细信息

FT 3/4 FM轴承是【SKF轴承 > 轴承单元 > Y-轴承法兰单元】的型号,主要用在建筑机械、各类变速器、汽车发动机、铁路车辆、减速装置、机床主轴、成形机、钟表、挖掘机、港口起重机等各大领域。

SKF FT 3/4 FM轴承详细参数

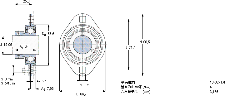
Y-型轴承带法兰单元, 冲压钢轴承座,偏心锁定轴环
尺寸基本负荷额定值可允许住质量轴承单元定购代号
动态静态房装载轴承轴承座轴承
dDaHJTCC0径向单元
mmkNkNkg-
19,0555,690,571,425,612,76,55-0,29FT 3/4 FM47M-2YET 204-012

SKF FT 3/4 FM轴承尺寸图纸

李工:138-8949-5179

刘工:135-0428-8802

地址:辽宁省大连经济技术开发区现代城3栋-13-13号

在线客服系统